NeBo trottoirkolk beton/gietijzer 1-delig G 127 LD verlaagd
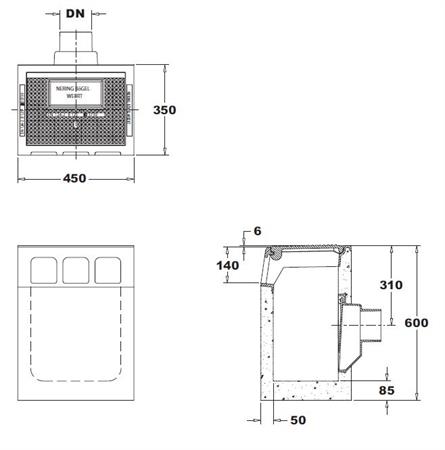
NeBo 1-delige trottoirkolk, beton/gietijzer type G 127/60 LD, bovenmaat 450x350 mm, met achteruitlaat Ø 125 mm spie, bestaande uit gietijzeren inlaatstuk met gietijzeren deksel met steeknokvergrendeling, aangestorte betonnen onderbak, gietijzeren uitlaat en gietijzeren stankscherm met KOMO productcertificaat volgens BRL 9204. De trottoirkolk is geschikt voor verkeersklasse B-125 kN volgens NEN-EN 124/BRL 9203. Levering conform NEN-EN-ISO 9001.
